The tutorial to build ultrasonic ranger for blind people !!!

Ultrasonic detection principle to enhance blind people awarness !!!
What do you need?
If you have access to 3D printer, you might download and use the following STL files to manufacture the housing.
Front.STL
Cover.STL
3D printed results
Painted
If you have access to soldering equipment, you might motivate yourself to learn how to solder
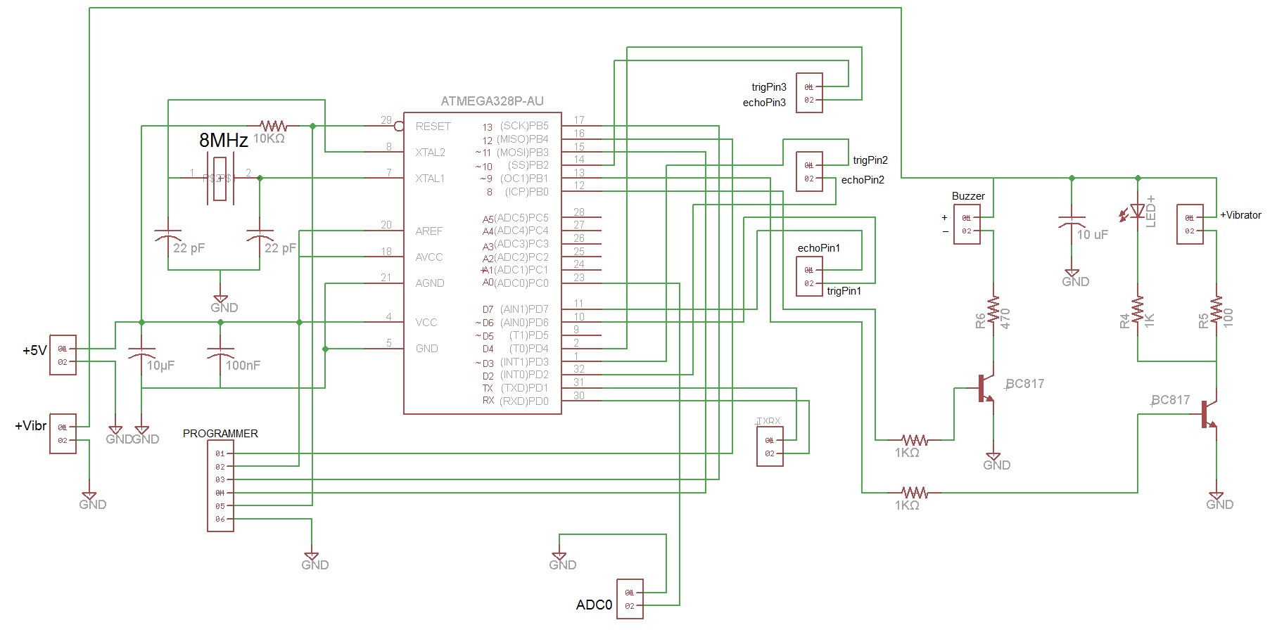
You need the schematic in order to build your own circuit or PCB
You need this Arduino code to make the circuit works
This the optimal result if you work hard and try to reach perfection
This is an open source concept and anyone is welcome to try!!!